Zurück zur Startseite
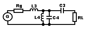
SGS (symmetrische, gekoppelte Schwingkreise)-Rechner
RG = RL Bandbreite Frequenz DG0SA
Ω kHz MHz C in pF und L in µH und R in Ω
Alle Eingaben mit Punkt, kein Komma!
Koppelfaktor: Bandfilter: zwei SGS verbinden L2-L2 oder C2-C2; L3-L3 oder C3-C3
Serien-SGS nix
L1 L2 C1 C2
Parallel-SGS nix
L3 L4 C3 C4