Zurück zur Startseite
Drosselwirkung fertiger Trennglieder prüfen
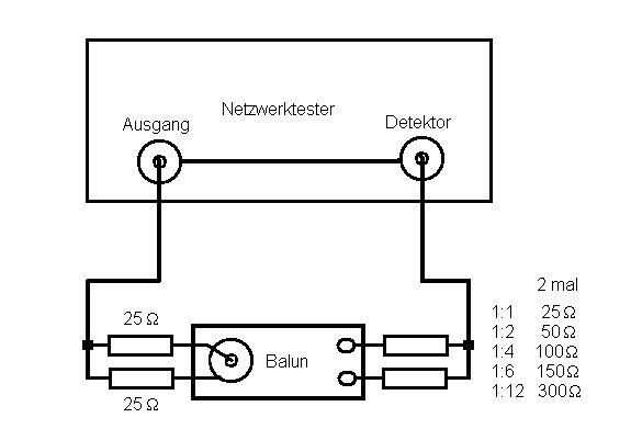
Fertig gewickelte Trennglieder, im Folgenen Baluns genannt, müssen betriebsnah auf ihre Drosselwirkung = Sperrwirkung geprüft werden. Die am Balun befindliche Quelle und Last wird
dazu mit Widerständen nachgebildet. Diese bringen immer einige Ω in den Strompfad ein, die eine Dämpfung zusätzlich in das Ergebnis einbringen. Das Ergebnis ist also um diese dB geringer, als angezeigt.
Balun 1:1 vom Ergebnis 2 dB abziehen
Balun 1:2 vom Ergebnis 3 dB abziehen
Balun 1:4 vom Ergebnis 4 dB abziehen
Balun 1:6 vom Ergebnis 8 dB abziehen
Balun 1:9 vom Ergebnis 11 dB abziehen
Balun 1:12 vom Ergebnis 12 dB abziehen

Es wird bei einigen sogenannte "Baluns" keine Drosselwirkung bzw. Wirkung gegen Gleichtaktströme messbar sein. Das bedeutet, dass Mantelwellen auftreten und der Koaxialkabelaußenschirm
als Antenne wirkt. Häusliche Störfelder dringen so ungehindert über den vermeintlichen "Balun" in den Empfänger ein. Dieser kann seine
Empfindlichkeit nicht mehr ausnutzen.
Beim Senden gelangt Sendeenergie über "Balun" und Koaxialkabelaußenleiter in die Wohnung und verursacht Störungen in den elektronischen Medien.
Das erschreckende Ergebnis eines Baluns, gefertigt nach "HF-Module in 50 Ohm Technik, Eric T. Red und Reinhard Birchel,
DJ9DV, beam Verlag, Seite 11, Bild 1.7
Zieht man die 11 dB ab, wird das Ergebnis zeigen: Drosselwirkung Null. Von Entkopplung bezüglich Gleichtaktstrom (=Verhinderung von Mantelwellen)
also keine Spur zu sehen. Strombalun und 1:9 Leitungsübertrager sitzen auf einen Kern, was falsch ist..
Der Quellwiderstand 50 Ω und der Lastwiderstand 450 Ω:9 = 50 Ω
, also zusammen 25 Ω werden in den Strombalun so hereintransformiert, als wäre der Strombalun mit einem 25 Ω
Widerstand überbrückt. Die Drossel wird dadurch unwirksam.
weiter zur dritten Prüfschaltung