Zurück zur Startseite
Bei der Fuchsjagd, insbesondere auf dem 2-m-Band, ist ein S-Meter zur Bestimmung der
Richtung zum Sender sehr hilfreich. Die Bestimmung der Richtung erfolgt
mit einer HB9CV oder Yagiantenne mit Maximumpeilung.
Das menschliche Gehör ist jedoch viel besser in der Lage, Töne auseinanderzuhalten,
als Lautstärkeunterschiede auszumachen.
Nachdem meine Versuche mit einem Meßinstrument und einer Leuchtdiode nicht viel brachten,
es war entweder zu dunkel für das Ablesen des Instrumentes oder zu hell für die Leuchtdiode,
kam ich auf die folgende Idee.

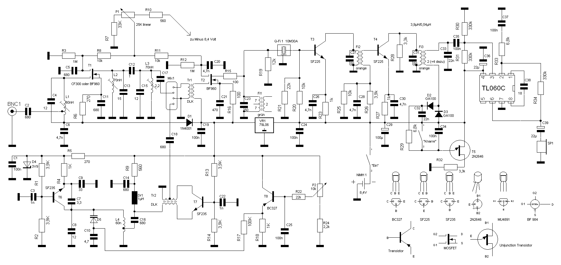
zum vollständigen Schaltbild 2-m-RX
Im "FUNKAMATEUR" Heft 7 1991 Seite 404 und im FUNKAMATEUR-Digest auf Seite 154 ist die Schaltung des
kompletten Peilempfängers beschrieben. Das akustische S-Meter wird durch einen Doppelbasistransistor und
einige Widerstände und Kondensatoren dargestellt.
Das Prinzip ist einfach, die Richtspannung an
der Gleichrichterdiode VD2 führt zum Durchschalten des Doppelbasistransistors.
Je stärker das Eingangssignal, um so höher die Richtspannung und um so höher der Ton.
Beim Drehen um die eigene Achse hört der Fuchsjäger im Signal einen von tiefen Tönen
zu hohen Tönen sich verändernden Knarrton. Dieses giftige Signal zwingt ihn, in die richtige Richtung zu laufen,
da kann er gar nicht anders.
Heute, nach fast 20 Jahren, trifft man auf Empfänger, die ebenfalls über akustische Feldstärkemesser verfügen. Manches dauert eben länger...
Beim nachträglichen Einbau in vorhandene Empfänger muss geprüft werden, ob eine ausreichende Richtspannung erreicht wird.
Die Empfindlichkeit der "Knarre" wird erhöht, indem R14 auf 68 K, R15 auf 3,9 K vergrößert und C19 auf 4,7 n verkleinert werden.