RG RL Bandbreite Frequenz Induktivität Spulengüte
Ω Ω kHz MHz µH dim.-los
bitte mit Punkt, kein Komma !
nix
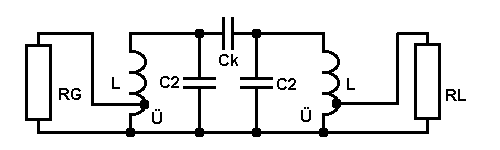
Ü zu RG C2 in pF CK in pF Ü zu RL
Ohne komplizierte Formeln: ganz einfach ein Bandfilter entwerfen!
Es wird ein Eingangsfilter (Eingang 50 Ω, Ausgang 5000 Ω für 1,8 - 2,0 MHz gebaut, vorhandene 45 µH-Spulen mit einer Güte von 150 sollen verwendet werden.
Eingabe RG=50; RL=5000; B=200; F=1.900; L=45; Q=150.
Liefert Ü zu RG =12; das heißt, die Anzapfung ist bei einem 12-tel der Windungszahl anzubringen, C2=144,33pF; Ck=11,61pF; Ü zu RL=1,2. Man kann also auf eine Anzapfung verzichten, wenn RL=7200 Ω wird!
Mit den Ausgangswerten ergibt sich diese
Durchlaßkurve!.